Multi-Panel-System mit großer LCD Anzeige, 12V, Serie Jupiter mit integ. Batteriemonitor und 100A-400A Shunt
Multi-Panel-System mit großer LCD Anzeige, 12V, Serie Jupiter mit integ. Batteriemonitor und 100A-400A Shunt
Verfügbarkeit für Abholungen konnte nicht geladen werden
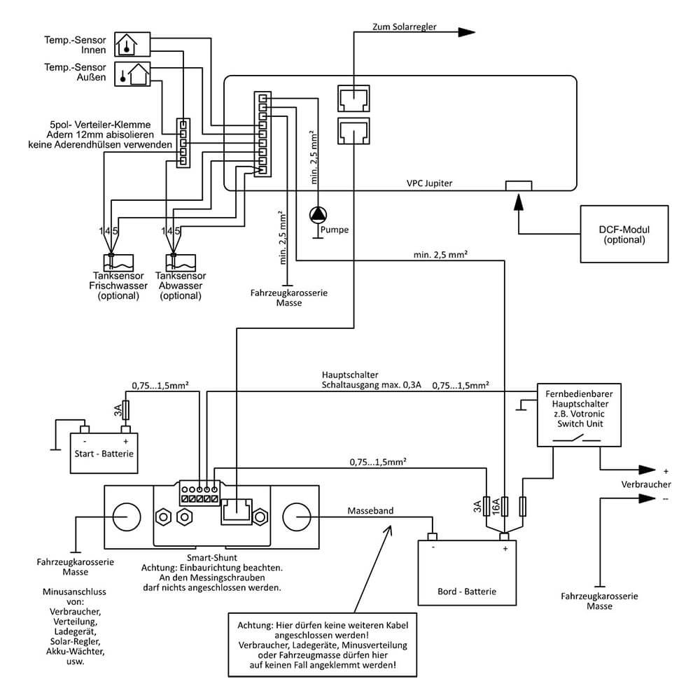
Das VOTRONIC Power Control (VPC) ist ein innovatives Multi-Panel-System für Reisemobile, das die wichtigsten Funktionen und Informationen bedienerfreundlich in einem Gerät zusammen führt. Die Informationen werden über ein helles, weiß beleuchtetes Grafikdisplay dargestellt.
Die groß angezeigten Werte sind bei allen Lichtverhältnissen auch aus größerer Entfernung hervorragend ablesbar. Farbige Leuchtdioden signalisieren jederzeit die gewählte Funktion. Die einzelnen Ausführungen unterscheiden sich in Ihrem Funktionsumfang, der auf die spezifischen Ansprüche der unterschiedlichen Fahrzeugtypen ausgelegt ist. Während die Version Jupiter z.B. bezüglich der Energieversorgung und der Füllstände nahezu keine Wünsche offen lässt, empfiehlt sich die Ausführung Merkur besonders für kompaktere Fahrzeuge, die häufig über keine festen Tanks verfügen.
Das Panel verfügt übereinen Schaltausgang für ein externes Relais als Hauptschalter. Ein abschaltbarer Alarmgeber (Beeper) am Panel sowie ein Hinweis in der Anzeige machen darauf aufmerksam, wenn eine einstellbare Energie-Schwelle unterschritten wurde und der Hauptschalter in einigen Sekunden automatisch abschalten wird, um eine Tiefentladung der Batterie zur verhindern.
Der integrierte Batteriemonitor lässt sich auf folgende Batterietypen einsellen: Blei-Säure/Nass 14,4V; GEL 14,4V; AGM-14,4V; AGM-14,7-14,8V; LiFePo4 13,9V; LiFePo4 14,2V; LiFePo4 14,4V; LiFePo4 14,6V;LiFePo4 14,8V
Lieferumfang:
- Schaltzentrale VBC-Jupiter
- Smart-Shunt 100A
- Masseband 25mm²
- 2 Stück Anschlusskabel 5m (zur Verbindung zum Votronic Solarladeregler und zum Meßshunt)
- 2 Temperatursensoren (innen und außen)
- 4 Befestigungsschrauben
- 5pol. Anschlussklemme
- Bohrschablone
- Selbstverständlich erhalten Sie auch bei uns eine Bedienungsanleitung in Deutsch.
Versandinfos
Versandinfos
Geschätzte Lieferzeit bis zu 4 - 6 Werktagen.
Dieses Produkt unterliegt aufgrund seiner Beschaffenheit einer gesonderten Versandkostenregelung, die genauen Versandkosten werden anhand der Adresse berechnet und im Checkout angezeigt.
Hinweis: Einige der von uns angebotenen Produkte unterliegen einem Sperrgutzuschlag.
Dieser ist abhängig von der gesamten Bestellung. Aus diesem Grund ist eine vollständige Berechnung der Versandkosten nicht immer vorab möglich und es kann in Einzelfällen dazu kommen, dass weitere Versandkosten nach Bestellaufgabe entstehen. Diese werden persönlich von uns besprochen und es besteht selbstverständlich das Recht zu stornieren.
Gründe hierfür können bspw. sein, dass die Produkte sehr groß, schwer oder besonders empfindlich sind.
Technische Daten
Technische Daten
System:
Nennspannung Bordbatterie: 12V DC
Betriebsspannungsbereich Bordbatterie: 8 - 16V DC
Nennspannung Starterbatterie: 12V / 24V
Betriebsspannungsbereich Starterbatterie: 8 - 35V DC
Stromaufnahme: 13 - 60mA, abhängig von der Displaybeleuchtung
Batterietypen: Blei-Säure/Nass 14,4V; GEL 14,4V; AGM-14,4V; AGM-14,7-14,8V; LiFePo4 13,9V; LiFePo4 14,2V; LiFePo4 14,4V; LiFePo4 14,6V;LiFePo4 14,8V
Schaltstrom Schaltausgang Hauptschalter: max. 0,3A
Schaltstrom Pumpe: max. 16A
USB-Ladebuchse: 5 V / 2,5 A nach USB Battery Charging Specification, Rev 1.1
Abmessungen (mm): 200 x 75 x 30
Einbaumaß Ausbruch Elektronik (mm): ca. 185 x 57
Luftfeuchtigkeit: max. 95 % RF, nicht kondensierend
Gewicht (ohne Verpackung): ca. 200g
Anzeigeeinheit:
Display: LC-Display mit spezifischen Segmenten, mit und ohne Beleuchtung lesbar, Folientastatur mit LED-Hinterleuchtung
Display-Darstellungsfläche: 49 x 28mm
Beleuchtungsfarbe: weiße LED
Smart-Shunt:
Nennstrombelastbarkeit Smart-Shunt: 100A
Max. Strom 15 Minuten: 150A
Max. Strom 7 Minuten: 200A
Max. Strom kurzeitig (5 Sekunden): 450A
Gewicht: 240g
Abmessungen Smart-Shunt: 135 x 32 x 44mm
Masseband:
Querschnitt: 25mm²
Gewicht: 100g
SKU:30044
Teilen


